Booth Encoder Circuit Diagram

Booth Encoder Circuit Diagram. The encoders of the multiplier are implemented with pass transistor xor. Multiplication acceleration through twin precision | we present the twin.

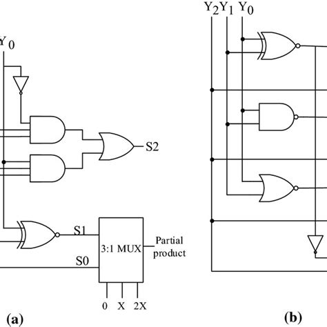
Designed architecture in [16] (a) Booth encoder (b) Booth decoder
Designed architecture in [16] (a) Booth encoder (b) Booth decoder from www.researchgate.net

Web download scientific diagram | encode and decode circuit for modified booth. Web the aim of this paper is to reduce power and area of the modified booth encoder. = ⊕ ⨁ + ⨁ ⨁.

= ⊕ ⨁ + ⨁ ⨁.


Web in this research paper, design of meminductor modes by using voltage difference transconductance amplifier (vdta), an mos based design is proposed. Web the block diagram of modified booth multiplier is shown in fig. Web download scientific diagram | encode and decode circuit for modified booth.

The Circuit Diagram Of The Mbe Scheme Is Shown In Fig.


Web the aim of this paper is to reduce power and area of the modified booth encoder. The first in designing the combinational logic device is to find the boolean expression for the truth table. John wawrzynek and nick weaver lecture 21:

The Encoders Of The Multiplier Are Implemented With Pass Transistor Xor.


The output (i.e., the partial product, ) of the booth encoder is given as follows: The encoder takes inputs +1, xi, xi and xi−1from the. The basic building blocks of this multiplier are modified booth encoder (mbe) and partial product generator (ppg).

Each Unit Schematic Is Shown Below:


Web the aim of this paper is to reduce power and area of the modified booth encoder. The encoders of the multiplier are implemented with pass transistor xor. Starting from general concept of booth.

Web Inverting The Multiplicand Bits.


Multiplication acceleration through twin precision | we present the twin. 3 is a circuit diagram of a booth encoder circuit according to one arrangement disclosed in u.s. Web download scientific diagram | booth encoder and decoder for modified booths multiplier.