Bbc Master 128 Circuit Diagram

Bbc Master 128 Circuit Diagram. You need to wire it up yourself and find a way. Web bbc model b, b+ and master 128.

BBC Master 128 Raspberry Pi Coprocessor Retro Coding
BBC Master 128 Raspberry Pi Coprocessor Retro Coding from www.retrocoding.uk

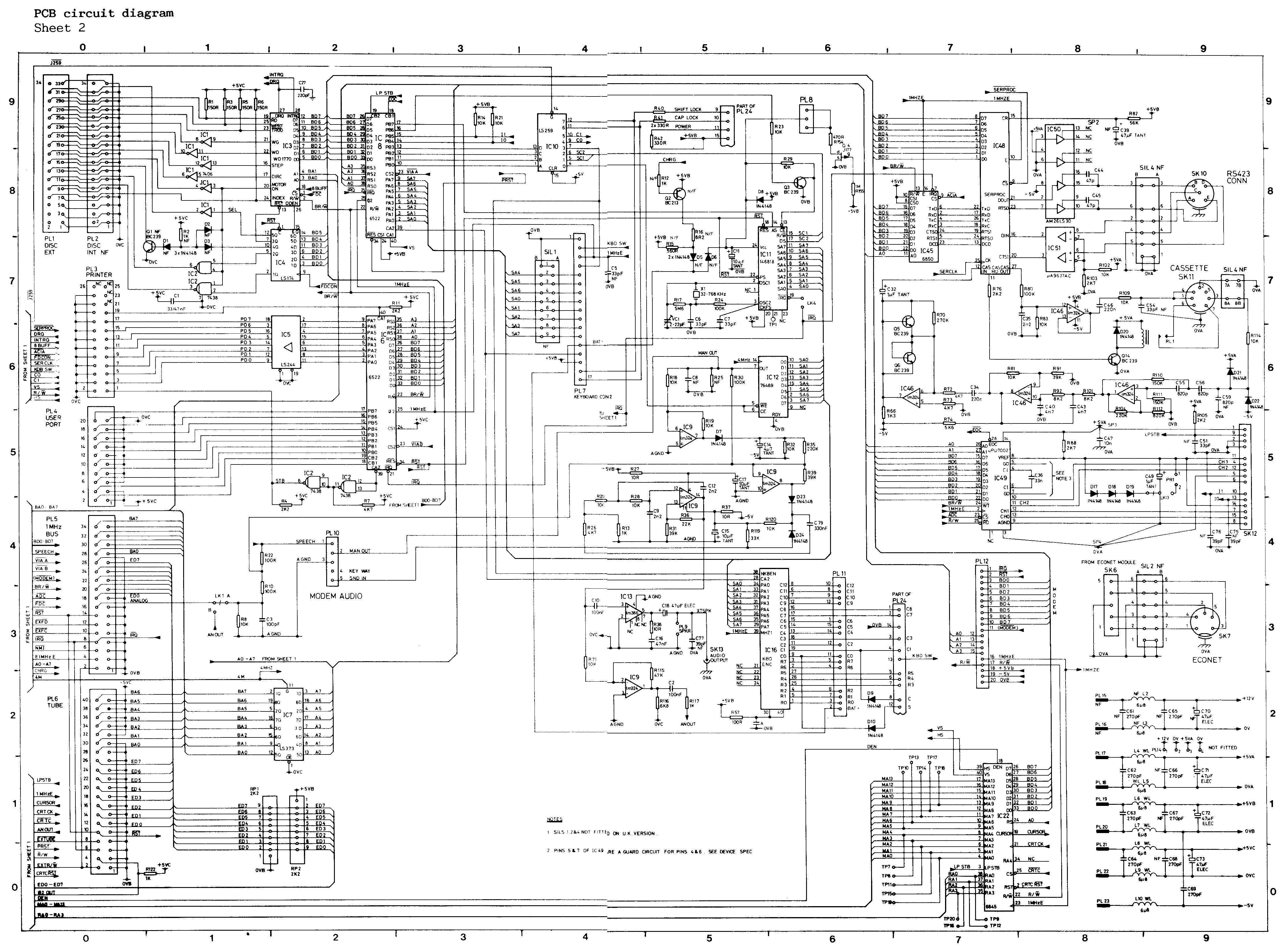
The circuit diagram has a 16mhz. Web the bbc master 128 models (with the possible exception of the master et ?) had a 1770 disk controller installed as standard. Web page 67 master series service manual component locations the following tables show the positions of ics, resistors, capacitors, diodes, and transistors on the circuit diagram.

Web The Master 512 Was A Standard Master 128 With An Internal 80186 Coprocessor System, And 512 Kb Of Memory, Running Dos.


Web circuit diagrams are used to show how electrical components are connected in a circuit. Web bbc model b, b+ and master 128. Finally, the master turbo was a bbc master 128 with.

Web Emulating External Hardware On Risc Os Bbc Emulators.


Hard drive interface options for bbcs and masters. Got my master psu up and running but the master itself is very sick. Web master series compact microcomputer service manual 3 disassembly and assembly to service the bbc master series compact microcomputer, first disconnect the power.

Web The Bbc Master 128 Was A Major Upgrade To The Bbc Micro.


Web the bbc master 128 models (with the possible exception of the master et ?) had a 1770 disk controller installed as standard. Bbc micro spares, components, cables, leads & peripherals. It is largely compatible with the model b, but hardware changes mean some programs written for the.

Compete Circuit Description Of How It Works, How To Approach Servicing, And Complete.


Web view online (87 pages) or download pdf (569 kb) acorn bbc master 128, bbc master series service manual • bbc master 128, bbc master series pdf manual download. You need to wire it up yourself and find a way. The circuit diagram has a 16mhz.

Web Bbc Micro Computer Models B+, Master 128 And Master Compact Microcare Course Notes.


Web page 67 master series service manual component locations the following tables show the positions of ics, resistors, capacitors, diodes, and transistors on the circuit diagram. Individual circuit components are represented using circuit symbols. The spares offered may be original nos (new, old stock), brand new (where still.