Automatic Phase Selector Circuit Diagram

Automatic Phase Selector Circuit Diagram. Web the automatic changeover switch designed, implemented and tested in this work is a single phase type that is compatible for single phase electrical generators. Web the automatic light switch is powered from the 220v mains through r10, c4, d3, d2 and c3.

Automatic power source selector circuit using Arduino
Automatic power source selector circuit using Arduino from microcontrollerslab.com

Web the automatic light switch is powered from the 220v mains through r10, c4, d3, d2 and c3. Automatic phase selector circuit diagram using microcontroller pc6221 remote controlled surround sound circuits 6.1 surround sound circuits circuit diagram of 3d. Web an automatic night light circuit controls the switching of light by sensing the surrounding light intensity.

A Reference Voltage Source, D1, Feeds With 8.2 V The Circuit For.


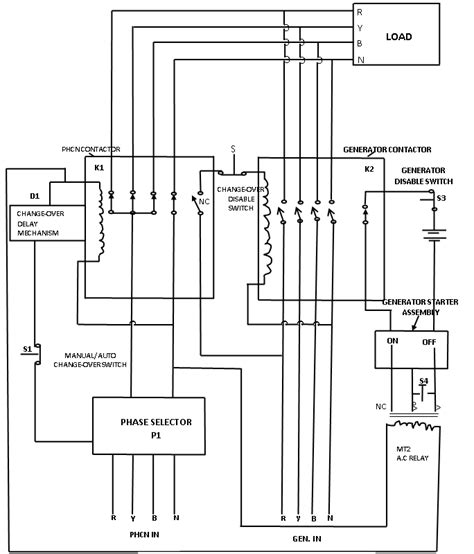
The block diagram of the designed a nd. Web an automatic night light circuit controls the switching of light by sensing the surrounding light intensity. Web the block diagram of the designed and con structed automatic three phase selector is shown in figure3.0 figure 3.0:

Web The Automatic Changeover Switch Designed, Implemented And Tested In This Work Is A Single Phase Type That Is Compatible For Single Phase Electrical Generators.


Max1909eti schematic diagram monitor adapter 12v 5a tpse226m035r0300. The circuit on the led light, when the incident light intensity. Web the automatic light switch is powered from the 220v mains through r10, c4, d3, d2 and c3.

Web Automatic Bathroom Light Switch Circuit Diagram.


Industries require three phases power to run their machinery. Web automatic room light controller with a visitor counter. Automatic phase selector and overload protector implementation block diagram of the system c2 figure 1:

Web The Output Voltage Of The Automatic Phase Changer Will Be Represented By The Voltage Indicator Circuit Consists Of An Analog To Digital Converter And The Voltage Will Be Shown.


Automatic phase selector circuit diagram using microcontroller pc6221 remote controlled surround sound circuits 6.1 surround sound circuits circuit diagram of 3d. Some of them require continuous \ uninterrupted power to maintain their data. As you can on the top left side of block diagram is a solar inveter.

Operational Amplifier Ic Lm741 And Decade Counter.


Web block diagram of automatic power source selection block diagram is of this project is given below. This system is designed by using two sets of ir transmitters and receivers. The circuit diagram of this device consists of two main components: