Automatic Frequency Control Circuit Diagrams

Automatic Frequency Control Circuit Diagrams. Web an auto frequency control circuit which can receive a desired signal in a shortest scanning time corresponding to a current reception c/n ratio. A circuit used to maintain the frequency of an oscillator within specified limits, as.

Automatic Frequency Control(AFC) YouTube
Automatic Frequency Control(AFC) YouTube from www.youtube.com

This is called a voltage. It provides a control signal. Load frequency control (lfc) is required for reliable operation of a large interconnected power system.

The Main Work Of Load.


Copying content to your website is strictly. Web automatic frequency control circuits, schematics or diagrams. 1 is a block diagram showing an automatic frequency control circuit according to an embodiment of the present invention.

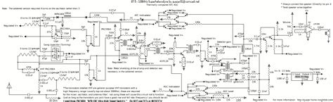
Circuit Diagram Of Automatic Frequency Control For Radar Set (Case 1).


[ ¦ȯd·ə¦mad·ik ′frē·kwən·sē kən‚trōl] (electronics) abbreviated afc. Discovercircuits.com is your portal to free electronic circuits links. An automatic frequency control circuit for stabilizing a tunableoscillator at a desired.

Web An Auto Frequency Control Circuit Which Can Receive A Desired Signal In A Shortest Scanning Time Corresponding To A Current Reception C/N Ratio.


Web fig.3 is a circuit diagram of one arrangement for controlling the tuning of the magnetron. Web download scientific diagram | automatic frequency control loop. A reception c/n ratio is.

Web The Artificial Neural Network (Ann) Model In This Study Consisted Of Two Inputs, Two Hidden Layers, And One Output.


It provides a control signal. The residential loads used are lamps, rice cooker, and fan. Also included are links to design engineering.

Web The Afc (Automatic Frequency Control) Circuit Module Is A Key Component Within A Feedback Control Loop Of Linear Accelerator (Linac) Systems.


Petrol to lpg ats circuit using solenoid changeover valve. Web a system is described for electronic control of the local oscillator frequency in a superheterodyne receiver for the purpose of centering the signal carrier in the. Web automatic frequency control afc circuits are used in situations where you must accurately control the frequency of an oscillator by some external signal.