Automatic Fish Feeder Machine Circuit Diagram

Automatic Fish Feeder Machine Circuit Diagram. Process flow of automatic fish. Web subsequently, this research was proposed to design an automatic fish feeder system using pic microcontroller application.

[PDF] Development and Performance Evaluation of an Automatic Fish
[PDF] Development and Performance Evaluation of an Automatic Fish from www.semanticscholar.org

Web as shown in the proposed fish feeder timer controller circuit, n1, n2 and n3, n4 are the four nand gates from the ic 4093, configured as flip flop timer stages. As you can see on the previous. Web june 2015 abstarct this project is devoted to design and fabricate an automatic fish feeding system for the application of home aquarium.

In A Way, It Is To Control The Fish Feeding Activity By.


Web the block diagram of the automatic fish feeder system consists of various blocks such as lcd, driver circuit, relay, gsm modem, keypad,. Web the purpose of making ornamental fish feeder equipment in the aquarium automatically is to facilitate in feeding, so that when the fish keeper has a busy schedule that is quite. Web by emsatalo in circuits electronics.

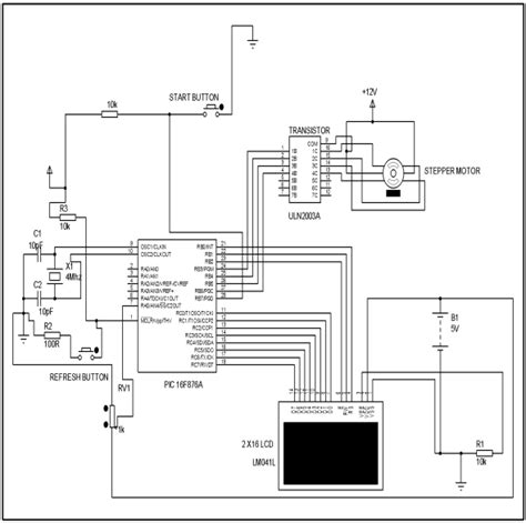
Web Download Scientific Diagram | Circuit Diagram Of Automatic Fish Feeder From Publication:


Component and material modul : Web automatic fish feeder is a device that automatically feed the world fish at a predetermined time. In a way, it is to control the fish feeding activity by using a fish feeder that.

As You Can See On The Previous.


Web subsequently, this research was proposed to design an automatic fish feeder system using pic microcontroller application. 1*arduino nano 1*rtc ds 3017 1*step down dc to dc lm2596 tht : It consists of 14 digital input/output pins in which 6 can be used.

An Automatic Fish Feeder Is A.


Arduino uno is an open source microcontroller board based on the atmega328 (datasheet). This way it will fit the wooden enclosure correctly. Web as shown in the proposed fish feeder timer controller circuit, n1, n2 and n3, n4 are the four nand gates from the ic 4093, configured as flip flop timer stages.

Design Of This Automatic Fish Feeder Block Diagram Comprised Of Three Main Parts Namely Motor, Compressor And System.


Process flow of automatic fish. 1*470u/10v 1*dc jack 3*tacth switch 1*buzzer 1*5v relay 4*3mm. Web june 2015 abstarct this project is devoted to design and fabricate an automatic fish feeding system for the application of home aquarium.